澳门百老汇4001平台 澳门百老汇4001平台
澳门百老汇4001平台
澳门百老汇4001平台 澳门百老汇4001平台

CN / EN

  • b2banner.jpg b2bannerph.jpg
    b2banner1.svg

    邦普循环提取退役电池中可再利用的金属、非金属和其他高分子材料资源,
    制备能量密度高、循环寿命长、性价比高、加工性能好的电池材料产品。

澳门百老汇4001平台 zhengjicailiao.svg

正极材料

  • 澳门百老汇4001平台 linsuantie-732.svg

    磷酸铁锂

  • 澳门百老汇4001平台 niemengsuan-325.svg

    镍钴锰酸锂

  • 澳门百老汇4001平台 suan-776.svg

    钴酸锂

  • 澳门百老汇4001平台 fumengji.svg

    富锂锰基

  • 再生磷酸铁锂

  • 二代磷酸铁锂

  • 三代磷酸铁锂

  • 再生磷酸铁锂

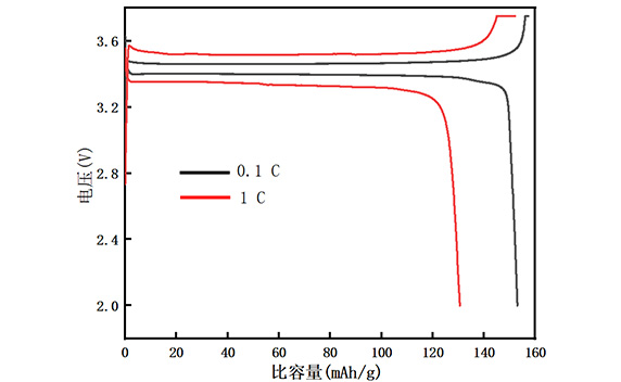
    再生磷酸铁锂具备诸多优点,已成为当前热门的锂电池正极材料产品。 邦普循环采用高温固相法对废弃磷酸铁锂进行再生,生产的再生磷酸铁锂产品具备高压实、高容量、平台稳定等特点。产品能量密度高、稳定性强、原料成本低,同时极大程度响应了国家环境保护政策。回收再生废旧磷酸铁锂,减少电池污染对环境造成的危害;减少粉末制备流程,实现资源节约的同时创造更高经济价值。

    • 澳门百老汇4001平台 高压实.svg

      高压实

    • 澳门百老汇4001平台 高容量.svg

      高容量

    • 澳门百老汇4001平台 平台稳定.svg

      平台稳定

    • 澳门百老汇4001平台 原料成本低.svg

      原料成本低

    澳门百老汇4001平台 15-5000.jpg
    • 50000 x

    • ≥2.35

      压实密度-3T (g/cm3

    • <60.0

      粉末电阻率 (Ω•cm)

    • 0.6-1.6

      Dv50 (μm)

    • >157

      0.1C首圈充电克容量 (mAh/g)

    • >150

      0.1C首圈放电克容量 (mAh/g)

    • >126

      1C首圈放电克容量 (mAh/g)

    技术图表

    • 澳门百老汇4001平台 15-1.jpg
      澳门百老汇4001平台

      充放电曲线图

    • 澳门百老汇4001平台 15-2.jpg
      澳门百老汇4001平台

      粒度分布图

  • 二代磷酸铁锂

    磷酸铁锂是当前热门的锂电池正极材料产品。 邦普循环采用磷铁合成磷酸铁,并围绕颗粒纳米化、碳包覆优化等方向进行创新性研发与改造,生产的二代磷酸铁锂产品高压实、高容量、平台稳定。本产品具备克容量高、能量密度高、安全性强、环境友好、原料成本低廉在内的诸多优点,在满足高续航里程的同时还可兼顾成本控制需求。

    • 澳门百老汇4001平台 高压实.svg

      克容量高

    • 澳门百老汇4001平台 高容量.svg

      能量密度高

    • 澳门百老汇4001平台 平台稳定.svg

      安全性强

    • 澳门百老汇4001平台 环境友好.svg

      环境友好

    • 澳门百老汇4001平台 原料成本低.svg

      原料成本低

    澳门百老汇4001平台 16-50000.jpg
    澳门百老汇4001平台 16-20000.jpg
    • 50000 x

    • 20000 x

    • ≥2.38

      压实密度-3T (g/cm3

    • <60.0

      粉末电阻率 (Ω•cm)

    • 0.7~1.7

      Dv50 (μm)

    • >160

      0.1C首圈充电克容量 (mAh/g)

    • >156

      0.1C首圈放电克容量 (mAh/g)

    • >138

      1C首圈放电克容量 (mAh/g)

    技术图表

    • 澳门百老汇4001平台 16-1.jpg
      澳门百老汇4001平台

      充放电曲线图

    • 澳门百老汇4001平台 16-2.jpg
      澳门百老汇4001平台

      粒度图

  • 三代磷酸铁锂

    磷酸铁锂是当前热门的锂电池正极材料产品。 邦普循环采用湿法合成磷酸铁,并进一步通过碳包覆、元素掺杂、颗粒尺寸优化等方式合成三代磷酸铁锂。本产品具有高压实、高安全性、高稳定性的典型特征,具备循环寿命长、安全性高、绿色环保、原料来源广泛且成本低廉在内的多重优势。

    • 澳门百老汇4001平台 b2icon01.svg

      循环寿命长

    • 澳门百老汇4001平台 安全性强.svg

      安全性高

    • 澳门百老汇4001平台 绿色环保.svg

      绿色环保

    • 澳门百老汇4001平台 原料来源广泛.svg

      原料来源广泛

    澳门百老汇4001平台 17-50000.jpg
    澳门百老汇4001平台 17-20000.jpg
    澳门百老汇4001平台 17-10000.jpg
    • 50000 x

    • 20000 x

    • 10000 x

    • ≥2.48

      压实密度-3T (g/cm3)

    • <60.0

      粉末电阻率 (Ω•cm)

    • 0.7~1.7

      Dv50 (μm)

    • 159.0~165.0

      0.1C首圈充电克容量 (mAh/g)

    • 155.0~161.0

      0.1C首圈放电克容量 (mAh/g)

    • >128

      1C首圈放电克容量 (mAh/g)

    技术图表

    • 澳门百老汇4001平台 17-1.jpg
      澳门百老汇4001平台

      充放电容量

    • 澳门百老汇4001平台 17-2.jpg
      澳门百老汇4001平台

      粒度图

  • LL5503

  • LL5525

  • LL6007

  • LL6510

  • LL8203

  • LL8313

  • LL9203

  • LL9403

  • LL5503

    LL5503应用于4.35V电压,是最早应用于车用动力电池场景的锂离子电池关键正极材料之一。LL5503循环寿命长、能量密度高、安全性强、高电压、热稳定性强、性价比高。是邦普循环在第一代低钴材料基础上,进一步控制钴含量开创的第二代低钴单晶材料产品,明显降低材料成本,并在全行业率先实现量产,成为“低钴材料性价比之王”,现被广泛应用于动力交通领域。

    • 澳门百老汇4001平台 b2_icon01.svg

      循环寿命长

    • 澳门百老汇4001平台 能量密度高.svg

      能量密度高

    • 澳门百老汇4001平台 安全性强.svg

      安全性强

    • 澳门百老汇4001平台 高电压-2.svg

      高电压

    • 澳门百老汇4001平台 热稳定性强.svg

      热稳定性强

    • 澳门百老汇4001平台 性价比高.svg

      性价比高

    澳门百老汇4001平台 18-10000.jpg
    • 10000 x

    • 3.60-4.60

      D50(μm)

    • 0.50-0.78

      BET(m2/g)

    • 32.70-33.90

      Ni(wt%)

    • 6.80-8.00

      Co(wt%)

    • 17.90-19.10

      Mn(wt%)

    • 177.0-182.0

      首次放电比容量(mAh/g)(2.8-4.35 V,0.1C)

    技术图表

    • 澳门百老汇4001平台 18-1.jpg
      澳门百老汇4001平台

      充放电曲线图

    • 澳门百老汇4001平台 18-2.jpg
      澳门百老汇4001平台

      粒度分布图

    • 澳门百老汇4001平台 18-3.jpg
      澳门百老汇4001平台

      循环性能图

  • LL5525

    LL5525是在邦普极致低钴第三代低钴单晶LL5515材料基础上的又一创新产品,颠覆性解决了的低钴体系下的DCR问题,较上一代材料DCR与循环性能均有明显提升,可应用于4.35V/4.4V工作电压下。该产品具备循环寿命长、高能量密度、高安全性、高电压、热稳定性强、高性价比环保等维度典型优势。当前,该项产品已被广泛应用于动力交通领域,是制作新能源汽车电池包的重要原料。

    • 澳门百老汇4001平台 b2_icon01.svg

      循环寿命长

    • 澳门百老汇4001平台 能量密度高.svg

      能量密度高

    • 澳门百老汇4001平台 安全性强.svg

      安全性强

    • 澳门百老汇4001平台 高电压-2.svg

      高电压

    • 澳门百老汇4001平台 热稳定性强.svg

      热稳定性强

    • 澳门百老汇4001平台 性价比高.svg

      性价比高

    澳门百老汇4001平台 LL5525.jpg
    • 10000 x

    • 3.80-4.60

      D50(μm)

    • 0.68-0.92

      BET(m2/g)

    • 32.80-34.20

      Ni(wt%)

    • 3.35-4.05

      Co(wt%)

    • 21.00-22.50

      Mn(wt%)

    • 183.0-189.0

      首次放电比容量(mAh/g)(2.8-4.5 V,0.1C)

    技术图表

    • 澳门百老汇4001平台 LL5525-3.png
      澳门百老汇4001平台

      充放电曲线图

    • 澳门百老汇4001平台 ll5525-2.png
      澳门百老汇4001平台

      粒度分布图

    • 澳门百老汇4001平台 LL5525-1.png
      澳门百老汇4001平台

      循环性能图

  • LL6007

    LL6007应用于4.4V电压,是在4.35V高电压三元正极材料基础上的进一步升级。邦普循环通过特殊掺杂工艺,成功实现了高电压下材料结构稳定。LL6007循环寿命长、能量密度高、安全性好、高电压、热稳定性强、性价比高,现已广泛应用于动力交通领域,是制作新能源汽车电池的重要材料。

    • 澳门百老汇4001平台 b2_icon01.svg

      循环寿命长

    • 澳门百老汇4001平台 能量密度高.svg

      能量密度高

    • 澳门百老汇4001平台 安全性强.svg

      安全性强

    • 澳门百老汇4001平台 高电压-2.svg

      高电压

    • 澳门百老汇4001平台 热稳定性强.svg

      热稳定性强

    • 澳门百老汇4001平台 性价比高.svg

      性价比高

    澳门百老汇4001平台 19-10000.jpg
    • 10000 x

    • 3.50-4.50

      D50(μm)

    • 0.62-0.81

      BET(m2/g)

    • 35.00-38.40

      Ni(wt%)

    • 2.75-3.30

      Co(wt%)

    • 18.30-20.70

      Mn(wt%)

    • 193.5-196.5

      首次放电比容量(mAh/g)(2.8-4.45 V,0.1C)

    技术图表

    • 澳门百老汇4001平台 19-1.jpg
      澳门百老汇4001平台

      充放电曲线图

    • 澳门百老汇4001平台 19-2.jpg
      澳门百老汇4001平台

      粒度分布图

    • 澳门百老汇4001平台 19-3.jpg
      澳门百老汇4001平台

      循环性能图

  • LL6510

    LL6510是一款4.35V高电压三元正极材料,采用碳酸锂工艺。产品创新性采用以锂盐原材料价格波动为参考的工艺机动切换模式,通过领先工艺和模式创新疏解原材料市场价格波动风险。 LL6510循环寿命长、能量密度高、安全性强、高电压、热稳定性强、性价比高、环境友好,已被广泛应用于动力交通领域,是制作新能源汽车电池的重要材料。

    • 澳门百老汇4001平台 b2_icon01.svg

      循环寿命长

    • 澳门百老汇4001平台 b2_icon02.svg

      能量密度高

    • 澳门百老汇4001平台 安全性强.svg

      安全性强

    • 澳门百老汇4001平台 高电压-2.svg

      高电压

    • 澳门百老汇4001平台 热稳定性强.svg

      热稳定性强

    • 澳门百老汇4001平台 性价比高.svg

      性价比高

    澳门百老汇4001平台 20-10000.jpg
    • 10000 x

    • 3.40-4.10

      D50(μm)

    • 0.83-1.12

      BET(m2/g)

    • 37.65-40.80

      Ni(wt%)

    • 3.80-4.60

      Co(wt%)

    • 14.8-16.4

      Mn(wt%)

    • 188.0-193.0

      首次放电比容量(mAh/g)(2.8-4.35 V,0.1C)

    技术图表

    • 澳门百老汇4001平台 20-1.jpg
      澳门百老汇4001平台

      充放电图

    • 澳门百老汇4001平台 20-2.jpg
      澳门百老汇4001平台

      粒度图

    • 澳门百老汇4001平台 20-3.jpg
      澳门百老汇4001平台

      循环性能图

  • LL8203

    LL8203是第二代8系多晶材料,采用二烧工艺,并创新性使用超长窑炉工艺,推动超长窑炉技术实现行业突破,引领行业生产工艺创新性变革。 LL8203是一款具有超高能量密度、超高循环稳定性的正极材料,安全性符合各项标准,目前主要应用于长续航新能源汽车交通动力领域,供应CATL等高端电池厂商。

    • 澳门百老汇4001平台 能量密度高.svg

      超高能量密度

    • 澳门百老汇4001平台 超高循环稳定性.svg

      超高循环稳定性

    • 澳门百老汇4001平台 安全性强.svg

      安全性强

    澳门百老汇4001平台 21-10000.jpg
    • 10000 x

    • 9.00-10.50

      D50( μm)

    • 0.35-0.65

      BET(m2/g)

    • 47.90-49.50

      Ni (wt%)

    • 6.60-7.40

      Co (wt%)

    • 2.95-3.58

      Mn(wt%)

    • 206.0-211.0

      首次放电比容量(mAh/g)(2.8-4.25V,0.1C)

    技术图表

    • 澳门百老汇4001平台 21-1.jpg
      澳门百老汇4001平台

    • 澳门百老汇4001平台 21-2.jpg
      澳门百老汇4001平台

    • 澳门百老汇4001平台 21-3.jpg
      澳门百老汇4001平台

  • LL8313

    LL8313是一款极致性价比三元正极材料。通过对材料中钴含量的精密控制和降低,极大程度减少了材料生产成本,为客户成本控制持续赋能。 LL8313是一款具有超高能量密度、压实密度和循环稳定性的正极材料,安全性符合标准。目前主要应用于长续航新能源汽车交通动力领域。

    • 澳门百老汇4001平台 性价比高.svg

      极致性价比

    • 澳门百老汇4001平台 能量密度高.svg

      超高能量密度

    • 澳门百老汇4001平台 循环.svg

      超高压实密度

    • 澳门百老汇4001平台 超高循环稳定性.svg

      超高循环稳定性

    澳门百老汇4001平台 22-10000.jpg
    • 10000 x

    • 9.05-11.70

      D50( μm)

    • 0.37-0.67

      BET(m2/g)

    • 48.1-50.50

      Ni (wt%)

    • 3.15-3.95

      Co (wt%)

    • 5.40-6.30

      Mn(wt%)

    • 205.3-209.8

      首次放电比容量(mAh/g)(2.8-4.25V,0.1C)

    技术图表

    • 澳门百老汇4001平台 22-1.jpg
      澳门百老汇4001平台

      充放电图

    • 澳门百老汇4001平台 22-2.jpg
      澳门百老汇4001平台

      粒度图

    • 澳门百老汇4001平台 22-3.jpg
      澳门百老汇4001平台

      循环图

  • LL9203

    LL9203是一款超高镍多晶三元正极材料产品。历经多年研发,拥有超高能量密度,高温循环超1200周。 本产品通过包覆和回火手段精准控制表面残碱同时形成稳定界面,实现高容量的同时保证了循环、存储和产气性能。更通过粒度分布优化,在8系基础上进一步提升材料压实密度,产品质量能量密度和体积能量密度都有明显提升。目前主要用于高端或长续航新能源车型中。

    • 澳门百老汇4001平台 b2_icon02.svg

      超高能量密度

    • 澳门百老汇4001平台 高温循环超1200周.svg

      高温循环超1200周

    澳门百老汇4001平台 23-10000.jpg
    • 10000 x

    • 9.0-11.0

      D50(μm)

    • 0.20-0.40

      BET(m2/g)

    • 53.0-54.3

      Ni(wt%)

    • 3.85-4.65

      Co(wt%)

    • 0.55-1.10

      Mn(wt%)

    • ≥227.0

      首次放电比容量(mAh/g)(2.8-4.3V,0.1C)

    技术图表

    • 澳门百老汇4001平台 23-1.jpg
      澳门百老汇4001平台

      充放电曲线图

    • 澳门百老汇4001平台 23-2.jpg
      澳门百老汇4001平台

      粒度图

    • 澳门百老汇4001平台 23-3.jpg
      澳门百老汇4001平台

      循环曲线图

  • LL9403

    LL9403是一款超高镍多晶三元正极材料。 通过高熵掺杂产生强钉扎效应优化材料结构稳定性,通过表面原位合成高离子电导率电解质优化材料界面稳定性,通过低损伤水洗去除表面残余锂,保证材料结构不被破坏的前提下进一步电芯安全性和界面稳定性。邦普循环创新生产工艺,使得LL9403的质量和体积能量密度以及产气性能表现突出的同时,循环、存储性也能持续保持优异。本产品目前主要用于高端或长续航新能源车型中。

    • 澳门百老汇4001平台 能量密度高.svg

      能量密度优异

    • 澳门百老汇4001平台 超高循环稳定性.svg

      产气性能突出

    • 澳门百老汇4001平台 存储性也能持续保持优异.svg

      存储性能优异

    • 澳门百老汇4001平台 循环性能(优异).svg

      循环性能优异

    澳门百老汇4001平台 24-10000.jpg
    • 10000 x

    • ≥3.6

      D50(μm)

    • 0.40-0.65

      BET(m2/g)

    • 54.2-55.8

      Ni(wt%)

    • 3.0-3.5

      Co(wt%)

    • 0.4-0.8

      Mn(wt%)

    • ≥228.3

      首次放电比容量(mAh/g)(2.8-4.3V,0.1C)

    技术图表

    • 澳门百老汇4001平台 24-1.jpg
      澳门百老汇4001平台

      充放电曲线图

    • 澳门百老汇4001平台 24-2.jpg
      澳门百老汇4001平台

      粒度图

    • 澳门百老汇4001平台 24-3.jpg
      澳门百老汇4001平台

      循环曲线图

  • HC4801

  • HC5001

  • HC4801

    HC4801是邦普循环自主研发的钴酸锂正极材料产品,具备高容量、高压实密度的典型特征,高能量密度、高电压的明显优势,现广泛应用于3C领域。

    • 澳门百老汇4001平台 高容量.svg

      高容量

    • 澳门百老汇4001平台 高振实密度.svg

      高压实密度

    • 澳门百老汇4001平台 能量密度高.svg

      高能量密度

    • 澳门百老汇4001平台 高电压-2.svg

      高电压

    澳门百老汇4001平台 25-10000.jpg
    • 1000 x

    • 15.2~16.2

      Dv50(μm)

    • 0.17~0.22

      BET(cm2/g)

    • 58.5~59.5

      Co(wt%)

    • ≥200

      充电比容量(mAh/g)(4.53V,0.1C)

    • ≥188.5

      放电比容量(mAh/g)(4.53V,0.1C)

    技术图表

    • 澳门百老汇4001平台 25-1.jpg
      澳门百老汇4001平台

      充放电图

    • 澳门百老汇4001平台 25-2.jpg
      澳门百老汇4001平台

      粒度图

  • HC5001

    HC5001是邦普循环自主研发的高压钴酸锂正极材料产品,具备高容量、高压实密度的典型特征,高能量密度、高电压等优势明显,可满足高能量密度需求,现广泛应用于3C领域。

    • 澳门百老汇4001平台 高容量.svg

      高容量

    • 澳门百老汇4001平台 高振实密度.svg

      高压实密度

    • 澳门百老汇4001平台 能量密度高.svg

      高能量密度

    • 澳门百老汇4001平台 高电压-2.svg

      高电压

    澳门百老汇4001平台 26-1000.jpg
    • 1000 x

    • 15.5~16.5

      Dv50(μm)

    • 0.17~0.22

      BET(cm2/g)

    • 58.5~59.5

      Co(wt%)

    • ≥204

      充电比容量(mAh/g)(4.55V,0.1C)

    • ≥194.0

      放电比容量(mAh/g)(4.55V,0.1C)

    技术图表

    • 澳门百老汇4001平台 26-1.jpg
      澳门百老汇4001平台

      充放电图

    • 澳门百老汇4001平台 26-2.jpg
      澳门百老汇4001平台

      粒度图

  • LL3503

  • LL3503

    LL3503是一款富锂高锰低镍的正极材料产品。由邦普循环自前驱体端启动自主研发,产品具备高容量、高压密的典型特征,以及高能量密度、高电压、高性价比在内的多维度优势,可同时兼顾高续航里程和低成本的需求,是正极材料领域一款极具潜力的产品。

    • 澳门百老汇4001平台 能量密度高.svg

      高能量密度

    • 澳门百老汇4001平台 高电压-2.svg

      高电压

    • 澳门百老汇4001平台 性价比高.svg

      高性价比

    澳门百老汇4001平台 27-10000.jpg
    • 10000 x

    • 6~8

      Dv50(μm)

    • <2

      BET(m2/g)

    • 58.5~59.5

      Co(wt)%

    • ≥230

      放电比容量(0.1C)(mAh/g)

    • ≥225

      放电比容量(0.33C)(mAh/g)

    技术图表

    • 澳门百老汇4001平台 27-1.jpg
      澳门百老汇4001平台

      充放电曲线图

    • 澳门百老汇4001平台 27-2.jpg
      澳门百老汇4001平台

      粒度分布图

澳门百老汇4001平台 fujicailiao.svg

负极材料

  • 澳门百老汇4001平台 zaishengshimo.svg

    钠电负极

  • 澳门百老汇4001平台 guitanfuji.svg

    硅碳负极

  • SA0101

  • SA0101

    SA0101是目前市场中为数不多的可以同时实现高容量、高首效的硬碳产品。邦普循环精准调控产品孔道结构,实现高储钠容量,产品同时还具备高首次库伦效率和低成本在内的诸多优势,可满足客户对钠离子电池负极材料成本与性能方面的多重需求。

    • 澳门百老汇4001平台 高容量.svg

      高容量

    • 澳门百老汇4001平台 高首效.svg

      高首效

    • 澳门百老汇4001平台 原料成本低.svg

      低成本

    澳门百老汇4001平台 4-2500.jpg
    • 2500 x

    • 4~6

      Dv50(μm)

    • <5

      BET(m2/g)

    • >0.6

      TD(g/cm3)

    • 0.37-0.42

      层间距(nm)

    • ≥320

      充电比容量(mAh/g)

    技术图表

    • 澳门百老汇4001平台 4-1.jpg
      澳门百老汇4001平台

      电化学性能图

    • 澳门百老汇4001平台 4-2.jpg
      澳门百老汇4001平台

      粒度信息图

  • SN0104

  • SN0104

    SN0104历经三年研发周期,最早应用于低硅动力电池项目。应用时在石墨中添加少量的本产品可以提高产品容量,并在循环性能方面实现2000次循环容量保留率达80%以上。

    • 澳门百老汇4001平台 循环性能(优异).svg

      循环性能优异

    澳门百老汇4001平台 5-20000.jpg
    澳门百老汇4001平台 5-5000.jpg
    澳门百老汇4001平台 5-1000.jpg
    • 20000 x

    • 5000 x

    • 1000 x

    • 3.7~7.7

      Dv50

    • 0.70~1.70

      BET

    • >0.0500

      Mn(wt%)

    • >0.0300

      Fe(wt%)

    • >0.0300

      Cu(wt%)

    • >0.0300

      Cr(wt%)

    • 54.00~63.70

      Si(wt%)

    • >56.0

      首效(wt%)

    • 1350.0~1625.0

      首放 (wt%)

    • 0.5 ~1.5

      C(wt%)

    技术图表

    • 澳门百老汇4001平台 5-1.jpg
      澳门百老汇4001平台

      电性能图

    • 澳门百老汇4001平台 5-2.jpg
      澳门百老汇4001平台

      硅碳负极粒度图

澳门百老汇4001平台 b2icon06.svg

前驱体

  • 澳门百老汇4001平台 linsuantie-804.svg

    磷酸铁

  • 澳门百老汇4001平台 niemengqingyanghuawu.svg

    镍钴锰氢氧化物

  • FP0001

  • FP0002

  • FP0001

    FP0001是一款磷酸铁锂正极材料用前驱体产品。在碱沉工艺的基础上,邦普循环对产品原料和工艺进行突破性改进,使其具备高比表面积和低硫的典型特征。该产品高比表、低杂质含量、高振实密度,可满足高压实磷酸铁锂的需求,可达到三代压实并接近四代压实性能要求。 FP0001已被广泛应用于动力交通、电动工具、储能、通信等领域,是制作磷酸铁锂正极材料的重要原料,正占据主流市场。

    • 澳门百老汇4001平台 产品高比表.svg

      高比表

    • 澳门百老汇4001平台 低杂质含量.svg

      低杂质

    • 澳门百老汇4001平台 高振实密度.svg

      高振实密度

    澳门百老汇4001平台 50000.jpg
    澳门百老汇4001平台 5000.jpg
    • 50000 ×

    • 5000 ×

    • 7.6±1

      BET(m2/g)

    • 36.60±0.15

      Fe含量( %)

    • 20.80±0.15

      P含量(%)

    • ≤500

      S含量(ppm)

    • 0.975±0.005

      Fe/P(摩尔比)

    技术图表

    • 澳门百老汇4001平台 6-1.jpg
      澳门百老汇4001平台

      粒度分布图

  • FP0002

    FP0002是一款磷酸铁锂正极材料用前驱体产品。 邦普循环以废磷酸铁锂粉提锂后磷铁渣为原料,制备电池级磷酸铁。本产品具有工艺简单、高振实密度、低成本等优势,可满足高压实磷酸铁锂的需求,达到二代和三代压实性能要求。 当前,该项产品被应用于动力交通、电动工具、储能、通信等领域,是制作磷酸铁锂正极材料的重要原料,目前正占据主流市场。

    • 澳门百老汇4001平台 工艺简单.svg

      工艺简单

    • 澳门百老汇4001平台 高振实密度.svg

      高振实密度

    • 澳门百老汇4001平台 原料成本低.svg

      低成本

    澳门百老汇4001平台 1000.jpg
    • 1000 ×

    • 2-6

      BET(m2/g)

    • 36.60±0.15

      Fe含量(%)

    • 20.80±0.15

      P含量(%)

    • ≤500

      S含量(ppm)

    • 0.975±0.005

      Fe/P(摩尔比)

  • PH5003

  • PH5007

  • PH5503

  • PH6506

  • PH8302

  • PH8303

  • PH9203

  • PH9401

  • PH5003

    PH5003是一款中镍三元正极前驱体产品,镍含量为50%。当前主要应用于数码类或者小动力多晶的正极材料领域。主含量摩尔比可定向化设计。

    • 澳门百老汇4001平台 定向化设计.svg

      定向化设计

    澳门百老汇4001平台 7-10000.jpg
    澳门百老汇4001平台 7-1000.jpg
    • 10000 x

    • 1000 x

    • 10.0±1.0

      D50(μm)

    • 6.0±2.0

      BET(m2/g)

    • 50.0±0.5

      Ni(mol%)

    • 20.0±0.5

      Co(mol%)

    • 30.0±0.5

      Mn(mol%)

    技术图表

    • 澳门百老汇4001平台 7-1.jpg
      澳门百老汇4001平台

  • PH5007

    PH5007是一款中镍小颗粒三元正极前驱体产品,镍含量为50%。当前主要应用于数码类或者动力单晶的正极材料领域。主含量摩尔比可定向化设计。

    • 澳门百老汇4001平台 定向化设计.svg

      定向化设计

    澳门百老汇4001平台 8-50000.jpg
    澳门百老汇4001平台 8-10000.jpg
    澳门百老汇4001平台 8-1000.jpg
    • 50000 x

    • 10000 x

    • 1000 x

    • 3.9±0.5

      D50(μm)

    • 9.0±3.0

      BET(m2/g)

    • 50.0±0.5

      Ni(mol%)

    • 20.0±0.5

      Co(mol%)

    • 30.0±0.5

      Mn(mol%)

    技术图表

    • 澳门百老汇4001平台 8-1.jpg
      澳门百老汇4001平台

      粒度分布图

  • PH5503

    PH5503是一款中镍小颗粒三元正极前驱体产品,镍含量为55%。当前主要应用于动力单晶类正极材料领域。主含量摩尔比可定向化设计。

    • 澳门百老汇4001平台 定向化设计.svg

      定向化设计

    澳门百老汇4001平台 9-50000.jpg
    澳门百老汇4001平台 9-10000.jpg
    • 50000 x

    • 10000 x

    • 3.9±0.5

      D50(μm)

    • 9.0±3.0

      BET(m2/g)

    • 55.0±0.5

      Ni(mol%)

    • 12.0±0.5

      Co(mol%)

    • 33.0±0.5

      Mn(mol%)

    技术图表

    • 澳门百老汇4001平台 9-1.jpg
      澳门百老汇4001平台

      粒度分布图

  • PH6506

    PH6506是一款中镍小颗粒三元正极前驱体产品,镍含量为65%。当前主要应用于动力单晶类正极材料领域。主含量摩尔比可定向化设计。

    • 澳门百老汇4001平台 定向化设计.svg

      可定向化设计

    澳门百老汇4001平台 10-50000.jpg
    澳门百老汇4001平台 10-10000.jpg
    澳门百老汇4001平台 10-1000.jpg
    • 50000 x

    • 10000 x

    • 1000 x

    • 3.8±0.4

      D50(μm)

    • 9.0±2.0

      BET(m2/g)

    • 65.0±0.5

      Ni(mol%)

    • 7.0±0.5

      Co(mol%)

    • 28.0±0.5

      Mn(mol%)

    技术图表

    • 澳门百老汇4001平台 10-1.jpg
      澳门百老汇4001平台

      粒度分布图

  • PH8302

    PH8302是一款高镍三元正极前驱体产品,镍含量为83%,钴含量为12%。具备循环寿命长、能量密度高、安全性强、成本低等优势,可满足高续航高安全性低成本的需求。主含量摩尔比可定向化设计。

    • 澳门百老汇4001平台 b2_icon01.svg

      循环寿命长

    • 澳门百老汇4001平台 b2_icon02.svg

      能量密度高

    • 澳门百老汇4001平台 b2_icon03.svg

      安全性强

    • 澳门百老汇4001平台 原料成本低.svg

      成本低

    • 澳门百老汇4001平台 定向化设计.svg

      定向化设计

    澳门百老汇4001平台 11-50000.jpg
    澳门百老汇4001平台 11-10000.jpg
    澳门百老汇4001平台 11-1000.jpg
    • 50000 x

    • 10000 x

    • 1000 x

    • 10.0±1.0

      D50(μm)

    • 7.0±2.0

      BET(m2/g)

    • 83.0±0.5

      Ni(mol%)

    • 12.0±0.5

      Co(mol%)

    • 5.0±0.5

      Mn(mol%)

    技术图表

    • 澳门百老汇4001平台 11-1.jpg
      澳门百老汇4001平台

  • PH8303

    PH8303是一款高镍三元正极前驱体产品,镍含量为83%,钴含量为12%。具备循环寿命长、能量密度高、安全性高、成本低等优势,可满足高续航高安全性低成本的需求。主含量摩尔比可定向化设计。

    • 澳门百老汇4001平台 b2_icon01.svg

      循环寿命长

    • 澳门百老汇4001平台 b2_icon02.svg

      能量密度高

    • 澳门百老汇4001平台 b2_icon03.svg

      安全性高

    • 澳门百老汇4001平台 原料成本低.svg

      成本低

    • 澳门百老汇4001平台 定向化设计.svg

      定向化设计

    澳门百老汇4001平台 12-50000.jpg
    澳门百老汇4001平台 12-10000.jpg
    澳门百老汇4001平台 12-1000.jpg
    • 50000 x

    • 10000 x

    • 1000 x

    • 3.8±0.4

      D50(μm)

    • 15.0±2.0

      BET(m2/g)

    • 83.0±0.5

      Ni(mol%)

    • 12.0±0.5

      Co(mol%)

    • 5.0±0.5

      Mn(mol%)

    技术图表

    • 澳门百老汇4001平台 12-1.jpg
      澳门百老汇4001平台

      粒度分布图

  • PH9203

    PH9203是一款超高镍三元正极前驱体产品,镍含量为92%。具备循环寿命长、能量密度高、安全性强、环境友好等优势,可满足高续航里程需求。本产品是材料领域极具潜力的一款产品,已应用于高端电动汽车领域,是制作长续航电动汽车电池的重要原料。主含量摩尔比可定向化设计。

    • 澳门百老汇4001平台 b2_icon01.svg

      循环寿命长

    • 澳门百老汇4001平台 b2_icon02.svg

      能量密度高

    • 澳门百老汇4001平台 b2_icon03.svg

      安全性强

    • 澳门百老汇4001平台 环境友好.svg

      环境友好

    • 澳门百老汇4001平台 定向化设计.svg

      定向化设计

    澳门百老汇4001平台 PH9203-50000.png
    澳门百老汇4001平台 PH9203-10000 (1).png
    澳门百老汇4001平台 PH9203-5000 (1).png
    澳门百老汇4001平台 PH9203-1000 (1).png
    • 50000 x

    • 10000 x

    • 5000 x

    • 1000 x

    • 10.0±1.0

      D50(μm)

    • 8.0±2.0

      BET(m2/g)

    • 92.0±0.5

      Ni(mol%)

    • 5.0±0.5

      Co(mol%)

    • 3.0±0.5

      Mn(mol%)

    技术图表

    • 澳门百老汇4001平台 13-1.jpg
      澳门百老汇4001平台

  • PH9401

    PH9401是一款超高镍小颗粒三元正极前驱体产品,镍含量为94%。目前主要应用于动力单晶类正极材料领域,主含量摩尔比可做定向化设计。

    • 澳门百老汇4001平台 定向化设计.svg

      定向化设计

    澳门百老汇4001平台 14-50000.jpg
    澳门百老汇4001平台 14-10000.jpg
    澳门百老汇4001平台 14-1000.jpg
    • 50000 x

    • 10000 x

    • 1000 x

    • 3.6±0.4

      D50(μm)

    • 16.0±2.0

      BET(m2/g)

    • 94.0±0.5

      Ni(mol%)

    • 4.0±0.5

      Co(mol%)

    • 2.0±0.5

      Mn(mol)

    技术图表

    • 澳门百老汇4001平台 14-1.jpg
      澳门百老汇4001平台

      粒度分布图

澳门百老汇4001平台 kuangchanlei.svg

矿产品

  • 澳门百老汇4001平台 nietie.svg

    镍铁

  • FeNi20

  • FeNi20

    FeNi20是RKEF冶炼工艺直接产品。在RKEF冶炼工艺的基础上,邦普循环围绕镍铁精炼脱杂、镍铁制粉等方向进行创新性研发突破,持续提升镍铁粉浸出率。 本产品在制备磷酸铁锂及三元材料方面具备性价比高、安全性强、应用范围广、品质优越、规模大、成本低、环境友好等优势。 当前,该项产品已被广泛应用于不锈钢、特钢、耐热钢铸件领域,制备镍铁粉可用于磁性材料、催化剂、电镀等领域,是制作磷酸铁锂及三元前驱体的重要原料,占据制备磷酸铁、磷酸铁锂及三元材料领域主流市场。

    • 澳门百老汇4001平台 性价比高.svg

      性价比高

    • 澳门百老汇4001平台 安全性强.svg

      安全性强

    • 澳门百老汇4001平台 应用范围广.svg

      应用范围广

    • 澳门百老汇4001平台 b2icon01.svg

      品质优越

    • 澳门百老汇4001平台 原料成本低.svg

      成本低

    • 澳门百老汇4001平台 环境友好.svg

      环境友好

    澳门百老汇4001平台 lQDPJwfmkIHWsqvNAbjNBNiwhP0bOD_AtiUFlx-D0ix9AA_1240_440.jpg
    澳门百老汇4001平台 1-10000.jpg
    澳门百老汇4001平台 1-5000.jpg
    澳门百老汇4001平台 1-1000.jpg
    • 产品

    • 10000 ×

    • 5000 ×

    • 1000 ×

    • 1430~1480

      熔点(℃)

    • 8.1~8.4

      密度(g/cm3

    • 10~30

      Ni(%)

    • 1~3.6

      C(%)

    • <0.2

      Si(%)

    • <0.03

      P(%)

    • 0.2~0.5

      S(%)

澳门百老汇4001平台 huagongyan-430.svg

锂盐

  • 澳门百老汇4001平台 tansuan.svg

    碳酸锂

  • 澳门百老汇4001平台 qingyanghua.svg

    氢氧化锂

  • LC0101

  • LC0101

    LC0101是电池回收转化的锂盐产品,回收研发过程经历数年,制备出的产品杂质含量低、应用范围广,极具市场优势。产品广泛应用于智能手机、笔记本电脑、电动汽车等领域,是制备锂离子电池的重要原料。

    • 澳门百老汇4001平台 低杂质含量.svg

      杂质含量低

    • 澳门百老汇4001平台 应用范围广.svg

      应用范围广

    澳门百老汇4001平台 2-10000.jpg
    澳门百老汇4001平台 2-5000.jpg
    澳门百老汇4001平台 2-2500.jpg
    • 10000 x

    • 5000 x

    • 2500 x

    • ≤0.25

      水分(%)

    • ≤0.50

      灼失率(%)

    • ≤200

      磁性异物(ppb)

    • ≥90.0

      白度

    • 4.1-6.6

      D50(μm)

    • <0.03

      P(%)

    • ≥99.55

      碳酸锂主含量(%)

  • LH0102

  • LH0102

    单水氢氧化锂是电池回收的转化另一款重要锂产品,该产品是其它锂盐产品的主要原料,是制备三元正极材料的重要原料。

    • 澳门百老汇4001平台 应用范围广.svg

      应用范围广

    澳门百老汇4001平台 3-30000.jpg
    澳门百老汇4001平台 3-10000.jpg
    澳门百老汇4001平台 5000.jpg
    • 30000 x

    • 10000 x

    • 5000 ×

    • ≤75

      磁性异物(ppb)

    • ≤800

      D50(um)

    • ≥16.47-16.90

      Li含量(%)

我们倾听您的声音